# VESTA-387

**PWB-1-BUS**

## BUS **Modul sursă de alimentare auxiliar cu carcasă**

<figure><img src="https://2057535213-files.gitbook.io/~/files/v0/b/gitbook-x-prod.appspot.com/o/spaces%2FZJzpNocHhYVmD43GZobR%2Fuploads%2FZ97PJ2Hx3aybqx5cl00l%2Fimage.png?alt=media&#x26;token=f169e49a-cc00-4e68-9c13-5f49d9ee29f6" alt=""><figcaption></figcaption></figure>

**Introducere**

PWB-1-BUS este un modul de alimentare auxiliar care poate fi conectat în sistemul BUS de date pentru a furniza o tensiune maximă de 13,5V, 5A către dispozitivele BUS conectate. Modulul PWB-1-BUS este supravegheat și comunică către Panou toate schimbările de stare, inclusiv starea alimentării AC, nivelul bateriei, starea de manipulare (tamper) și date despre consumul de energie.

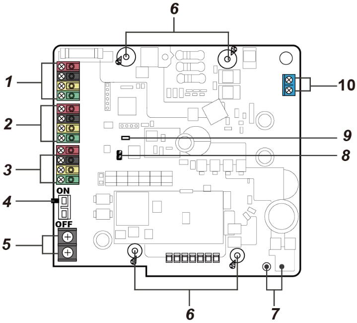
## Identificarea părților (VESTA-364N)

<figure><img src="https://2057535213-files.gitbook.io/~/files/v0/b/gitbook-x-prod.appspot.com/o/spaces%2FZJzpNocHhYVmD43GZobR%2Fuploads%2F2PnGIyoyPRlHvrU6JL9q%2Fimage.png?alt=media&#x26;token=c546f6fb-6748-4d09-976e-6ac7af293b84" alt=""><figcaption><p>VESTA-364N</p></figcaption></figure>

1. Terminale de conectare BUS către **Panoul hibrid**l (4 fire: <mark style="color:roșu;">**V**</mark>, G, A, B) De asemenea, este important să se conecteze pozitivul panoului de control VESTA la VESTA-364N.
2. Terminale de conectare BUS către dispozitiv alimentat BUS (4 fire: V, G, A, B)
3. Terminale de conectare BUS către dispozitiv alimentat BUS (4 fire: V, G, A, B)

{% hint style="warning" %}

#### DEPRECATED DOAR PENTRU VESTA-364

Această schiță este învechită și se aplică numai vechiului **VESTA-364** modul de alimentare. Vă rugăm să consultați documentația actualizată pentru modelele curente.

**Identificarea părților**

<img src="https://2057535213-files.gitbook.io/~/files/v0/b/gitbook-x-prod.appspot.com/o/spaces%2FZJzpNocHhYVmD43GZobR%2Fuploads%2FdYWPDsUfpn2CSHehrgDU%2F0.jpeg?alt=media" alt="" data-size="original">

1. **Terminale de conectare BUS către dispozitivul BUS alimentat** (4 fire: V, G, A, B)

2. **Terminale de conectare BUS către dispozitivul BUS alimentat** (4 fire: V, G, A, B)

3. **Terminale de conectare BUS către Panoul Hibrid** (3 fire: G, A, B)
   {% endhint %}

4. **Comutator baterie**

Mutați comutatorul bateriei pe poziția ON, astfel încât bateria de rezervă să fie încărcată atunci când alimentarea AC este conectată și să servească ca sursă de alimentare de rezervă când alimentarea AC lipsește.

1. **Terminal baterie**

Se conectează la bateria de rezervă (O baterie VRLA 12V 7,0Ah sau 12V 17,2Ah cu plumb-acid sigilată)

1. **Găuri de montare**
2. **Terminal de alimentare**

Se conectează la sursă de alimentare 20Vac 50Hz/60Hz, 4A (80VA)

1. **Comutator Jumper Rezistor Terminal (J3)**

Când modulul de alimentare este conectat în linia BUS ca cel mai îndepărtat dispozitiv BUS față de Panoul Hibrid, setați atât jumper-ele rezistorului terminal ale modulului de alimentare, cât și ale Panoului Hibrid pe ON. Capacitatea de comunicare a liniei BUS va fi îmbunătățită.

* * Jumper-ul Rezistor Terminal al PWB-1-BUS este de obicei folosit atunci când modulul de alimentare este conectat prima dată la Panoul Hibrid fără niciun dispozitiv BUS alimentat conectat.

Puteți seta Jumper-ul Rezistor Terminal al modulului de alimentare și Jumper-ul Rezistor Terminal al Panoului Hibrid pe ON pentru a testa dacă PWB-1-BUS poate comunica bine cu Panoul.

Dacă comunicarea cu Panoul este testată ca OK, puteți începe conectarea PWB-1-BUS la dispozitivele alimentate. Apoi setați Jumper-ul Rezistor Terminal al modulului de alimentare pe off și setați Jumper-ul Rezistor Terminal al celui mai îndepărtat dispozitiv din linia BUS pe ON în schimb.

![](https://2057535213-files.gitbook.io/~/files/v0/b/gitbook-x-prod.appspot.com/o/spaces%2FZJzpNocHhYVmD43GZobR%2Fuploads%2FTe40bMhhXBabMTJmZkhG%2F1.jpeg?alt=media)

Dacă jumperul este OFF (legătura jumper este îndepărtată sau „parcată” pe un pin), capacitatea de comunicare este la nivel normal.

![](https://2057535213-files.gitbook.io/~/files/v0/b/gitbook-x-prod.appspot.com/o/spaces%2FZJzpNocHhYVmD43GZobR%2Fuploads%2FUxJkCjS4MAP4nTBhprfe%2F2.jpeg?alt=media)

Dacă jumper-ul este ON (legătura jumper-ului stă pe ambele pini), abilitatea de comunicare este îmbunătățită.

1

1. **Indicator LED**
2. **Terminal comutator tamper** Se conectează la comutatorul tamper al capacului.

**Accesorii**

1. Distantier \*4
2. Piuliță pentru distantier \*4
3. Cablu baterie 12V 7.0Ah \*2 (+, -)

**Alimentare**

**Sursă de alimentare:**

* PWB-1-BUS este conectat la o sursă de alimentare 20Vac 50Hz/60Hz, 4A (80VA).
* Când alimentarea este întreruptă și se restabilește, PWB-1-BUS va transmite semnal de defecțiune AC și respectiv semnal de restaurare.

**Baterie reîncărcabilă:**

* O baterie VRLA 12V 7,0Ah sau 12V 17,2Ah poate fi conectată pentru a servi ca rezervă în caz de întrerupere a alimentării.
* În timpul funcționării normale, alimentarea AC este folosită pentru a alimenta PWB-1-BUS și, în același timp, pentru a reîncărca bateria. Este nevoie de aproximativ 48 de ore pentru a încărca complet o baterie de 12V 7.0Ah și 72 de ore pentru a încărca complet o baterie de 12V 17.2Ah.
* Dacă comutatorul bateriei este setat pe OFF, bateria nu va fi încărcată atunci când alimentarea AC este conectată și nici nu va servi ca sursă de rezervă când alimentarea AC lipsește. Trebuie să comutați bateria pe **Pornit** pentru ca aceasta să fie încărcată când alimentarea AC este conectată și să servească ca sursă de rezervă când alimentarea AC lipsește.
* Când bateria are nivel scăzut, PWB-1-BUS va transmite semnal de baterie descărcată. Când bateria este încărcată, PWB-1-BUS va transmite semnal de restaurare a bateriei.
* Când bateria este deconectată, comutatorul bateriei este pe off sau este detectată o defecțiune a bateriei, PWB-1-BUS va raporta la Panoul de Control bateria lipsă/moartă.

**Ieșire alimentare:**

* PWB-1-BUS poate furniza maximum 13,5V, 5A către dispozitivele BUS conectate.

**Protecție la manipulare (Tamper)**

* Comutatorul tamper pentru ușa carcasei este în poziție normală când ușa este închisă. Încălcarea tamper are loc când ușa este deschisă și comutatorul tamper este eliberat (Tamper deschis). Un semnal de tamper deschis va fi raportat la Panoul de Control.

**Conectarea la Panou și dispozitive BUS**

**ATENȚIE:**

**Deconectați toată alimentarea (AC și baterie) înainte de a face orice conexiuni. Cablagiul sistemului de alarmă trebuie efectuat numai de un tehnician certificat, cu cunoștințe și instruire adecvată în echipamente electrice.**

* Pentru a facilita conexiunile cablurilor, blocurile terminale de pe fiecare modul al sistemului BUS sunt codificate pe culori.

**Coduri de culoare ale blocurilor terminale**

| **. LED-ul** | VDD  |
| ------------ | ---- |
| **Negru**    | GND  |
| **Galben**   | 485A |
| **Verde**    | 485B |

* Când conectați PWB-1-BUS la Panoul Hibrid, conectați doar cele trei terminale (GND, 485A, 485B). Vă rugăm să consultați imaginea de mai jos.
* Când conectați PWB-1-BUS la dispozitivele alimentate de modulul de alimentare, conectați cele 4 terminale. (VDD, GND, 485A, 485B).

Vă rugăm să consultați exemplele de conexiune ale dispozitivelor BUS (VST-892-BUS & DC-23-BUS) de mai jos.

{% hint style="success" %}
Este foarte **important** în **să conectați sursa de alimentare VESTA-364N** secțiunea <mark style="color:roșu;">**pozitivul**</mark> de intrare la **panoul de control hibrid**, acest lucru va permite un control mai mare asupra sursei de alimentare.
{% endhint %}

<figure><img src="https://2057535213-files.gitbook.io/~/files/v0/b/gitbook-x-prod.appspot.com/o/spaces%2FZJzpNocHhYVmD43GZobR%2Fuploads%2FX10dCydJVnNJQvxM0VQr%2Fimage.png?alt=media&#x26;token=eaeb75f0-0c95-44c9-8276-fafe826c9307" alt=""><figcaption><p>VESTA-364N</p></figcaption></figure>

{% hint style="warning" %}
**DEPRECATED**&#x20;

Doar VESTA-364

<img src="https://2057535213-files.gitbook.io/~/files/v0/b/gitbook-x-prod.appspot.com/o/spaces%2FZJzpNocHhYVmD43GZobR%2Fuploads%2FcCcOVhouHAZi01HnucF6%2F3.jpeg?alt=media" alt="" data-size="original">
{% endhint %}

* Designul detașabil al blocurilor terminale BUS îmbunătățește eficiența instalării. Înainte de cablare, puteți scoate blocurile terminale din dispozitiv pentru ușurință la utilizare și le reintroduceți după cablare.

Când reinstalați blocurile terminale înapoi pe placă, asigurați-vă că le instalați în aceeași direcție pentru a evita posibile pericole.

* Conexiunile incorecte vor duce la defectare sau funcționare necorespunzătoare. Inspectați cablajul și asigurați-vă de conexiuni corecte înainte de a aplica alimentarea.

**Începeți**

După conectarea modulului de alimentare auxiliar la Panoul Hibrid (Vă rugăm să consultați ***Conectarea la Panou și dispozitive BUS*** secțiunea pentru detalii), vă rugăm să continuați cu învățarea.

* ***Învățare***

**Pasul 1.** După ce PWB-1-BUS este conectat la Panoul Hibrid, porniți Panoul de Control.

**Pasul 2.** Pe pagina web a Panoului de Control, faceți clic pe “**Învățare**” pentru a intra în pagina de învățare.

**Pasul 3.** Faceți clic pe „**Start**” pentru a intra în modul de învățare.

**Pasul 4.** Faceți clic **„Adaugă”** pentru a include modulul de alimentare auxiliar în panou.

**Pasul 5.** Dacă modulul de alimentare auxiliar este învățat cu succes în sistem, dispozitivul adăugat va fi afișat în secțiunea „Dispozitive învățate”. Tipul dispozitivului va fi afișat ca „PWB”.

* ***Identificare***

Funcția „**Identificare**” este folosită pentru a localiza un dispozitiv BUS specific în sistemul cablat BUS. Această funcție este utilă pentru a deosebi care dispozitiv este care, în special într-o instalație mare unde sunt incluse numeroase dispozitive BUS.

Pentru a localiza PWB-1-BUS în sistemul BUS:

![](https://2057535213-files.gitbook.io/~/files/v0/b/gitbook-x-prod.appspot.com/o/spaces%2FZJzpNocHhYVmD43GZobR%2Fuploads%2FjPMBYORSCDnMhvEZbdk8%2F4.png?alt=media)

**Pasul 1.** Pe pagina web a Panoului Hibrid, faceți clic pe „Identify” din lista de dispozitive după intrarea coloanei dispozitivului PWB.

**Pasul 2.** Dacă PWB-1-BUS primește semnalul de la Panoul Hibrid, pagina web va afișa un mesaj de succes iar indicatorul LED al PWB-1-BUS va clipi de 10 ori pentru a indica utilizatorului locația sa.

*\<NOTĂ>*

* Dacă pe pagina web este afișat un mesaj de timeout, înseamnă că PWB-1-BUS nu a primit semnalul de la Panou.

3

Vă rugăm să verificați dacă PWB-1-BUS este conectat corect la Panou și dacă distanța de cablare este adecvată.

**Semnal de supraveghere**

* După ce este învățat în Panoul de Control, modulul de alimentare va transmite automat semnale de supraveghere la fiecare 20 până la 30 de secunde.

**Monitor de consum de energie**

* După ce este învățat în Panoul de Control, modulul de alimentare va transmite automat date despre consumul de energie, inclusiv nivelul bateriei, tensiunea BUS și curentul BUS către Panoul de Control la fiecare 30-50 de minute.

![](https://2057535213-files.gitbook.io/~/files/v0/b/gitbook-x-prod.appspot.com/o/spaces%2FZJzpNocHhYVmD43GZobR%2Fuploads%2FBDUkkg0CSLTl4w7JJajb%2F5.png?alt=media)





Când nivelul bateriei este sub sau egal cu 20%, un semnal de baterie slabă va fi trimis către Panou.

Când nivelul bateriei este 0%, indică una din următoarele situații: deconectarea bateriei, comutatorul bateriei în poziție off sau defecțiunea bateriei.

Utilizatorul poate, de asemenea, să interogheze manual datele despre consumul de energie pe **Editare dispozitiv** .

![](https://2057535213-files.gitbook.io/~/files/v0/b/gitbook-x-prod.appspot.com/o/spaces%2FZJzpNocHhYVmD43GZobR%2Fuploads%2FUm0IoQy7TCz2uEXLvLm0%2F6.png?alt=media)

**Montarea PWB-1-BUS în carcasă (AWO300)**

* Localizați **locațiile standoff pe carcasa AWO300** (○1 – A, B, C, D), și **găurile de montare pe PWB-1-BUS** (○2 – A, B, C, D).

![](https://2057535213-files.gitbook.io/~/files/v0/b/gitbook-x-prod.appspot.com/o/spaces%2FZJzpNocHhYVmD43GZobR%2Fuploads%2FSBWuSu2Rlij9fUQ3VF4r%2F7.png?alt=media)

4

* Utilizați distanțierele furnizate pentru a monta în siguranță PWB-1-BUS în carcasă.

![](https://2057535213-files.gitbook.io/~/files/v0/b/gitbook-x-prod.appspot.com/o/spaces%2FZJzpNocHhYVmD43GZobR%2Fuploads%2FjHoxww390akZXO3zTGGo%2F8.png?alt=media)

* După ce toată cablarea este finalizată, instalați bateria de rezervă. Opțiunile de baterie includ: o baterie VRLA 12V 7,0Ah sau 12V 17,2Ah cu plumb-acid sigilată.

Pentru a instala bateria, urmați pașii de mai jos:

* 1. Conectați cablul GND (Negru) la polul negativ (-) al bateriei.
  2. Conectați cablul de alimentare (Roșu) la polul pozitiv (+) al bateriei
  3. Fixează bateria de rezervă în incintă.
* Conectați comutatorul tamper al ușii carcasei la terminalul tamper.
* Conectați terminalul de alimentare la sursa de 20Vac 50Hz/60Hz, 4A (80VA). Mutați comutatorul bateriei pe ON.

![](https://2057535213-files.gitbook.io/~/files/v0/b/gitbook-x-prod.appspot.com/o/spaces%2FZJzpNocHhYVmD43GZobR%2Fuploads%2FBYpEIas6TNAvpXHHSDL0%2F9.png?alt=media)

5
